
- Немає в наявності
Шарнірна головка SA16 ZSG
182 ₴
+380 (97) 333-55-10
- +380 (99) 333-55-10
- +380 (48) 708-30-15
повернення товару протягом 14 днів за рахунок покупця
Опис
Характеристики
Інформація для замовлення
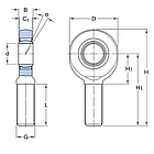
Шарнірна головка (конечник штока) SA16 ZSG (розмір 16x43x15)
Тип підшипника: підшипник ковзання
Внутрішній діаметр: d=16мм.
Зовнішній діаметр: D= 43мм.
Ширина: B= 15мм.

| d, мм | 16 |
|---|---|
| D, мм | 43 |
| B, мм | 21 |
| Дин. C, Н | 28500 |
| Статус. C0, Н | 39000 |
| Маса, кг | 0.21 |
| a | 14 |
| C, мм | 15 |
| C1, мм | 7 |
| d1, мм | 19.3 |
| d3, мм | M16x2.0 |
| h, мм | 66 |
| L1, мм | 40 |
| Габаритні розміри | |
|---|---|
| Внутрішній діаметр | 16 мм |
| Висота | 15 мм |
| Зовнішній діаметр | 43 мм |
- Ціна: 182 ₴

